IMC/HJBC系列閥門電動裝置是一種組合型部分回轉閥門電動裝置。它適用于球閥、蝶閥、旋塞閥、風門擋板等類型的閥門。該系列產品具有以下特點: 控制精度高,規格齊全,閥位指示直觀;結構簡單,承載轉矩大;標準配置蝸輪副具有自鎖功能,閥瓣定位準確;配有花鍵接頭,方便與閥桿配合孔和鍵槽的加工及電動裝置與閥門的連接;產品裝有機械限位螺釘,可在全開和全關位置進行±5°的調整,保證閥門終端位置準確。
IMC/HJBC系列技術參數表
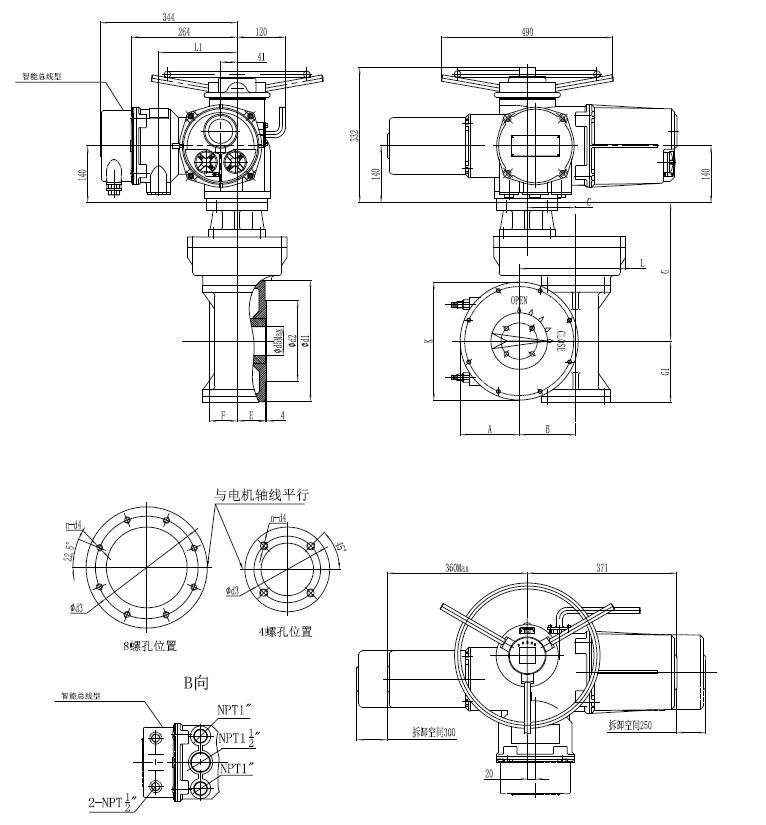
IMC15~60/HJBC系列外形及連接尺寸
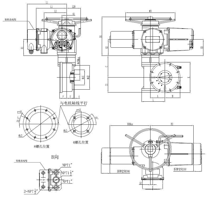
IMC25/HAJBC系列外形及連接尺寸
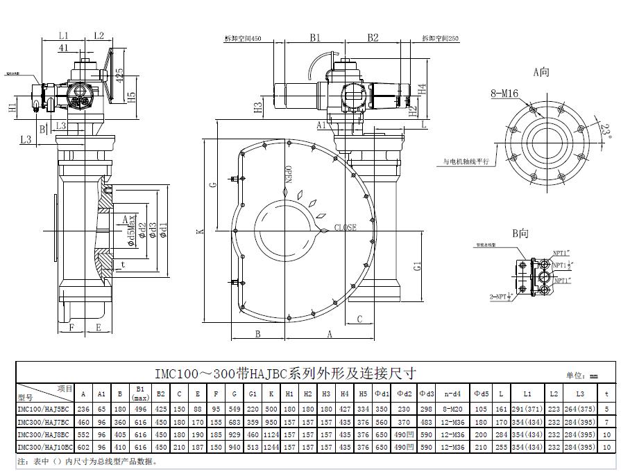
IMC100~300/HAJBC系列外形及連接尺寸
IMC樣本
IMC系列使用手冊
IMC智能型電氣原理圖
IMC15-60/HJBC系列外形及連接尺寸
IMC100-300/HJBC系列外形及連接尺寸
IMC100-300/HAJBC系列外形及連接尺寸